<strong id="d8yi6"></strong>

          <strong id="d8yi6"></strong><strong id="d8yi6"><center id="d8yi6"></center></strong>
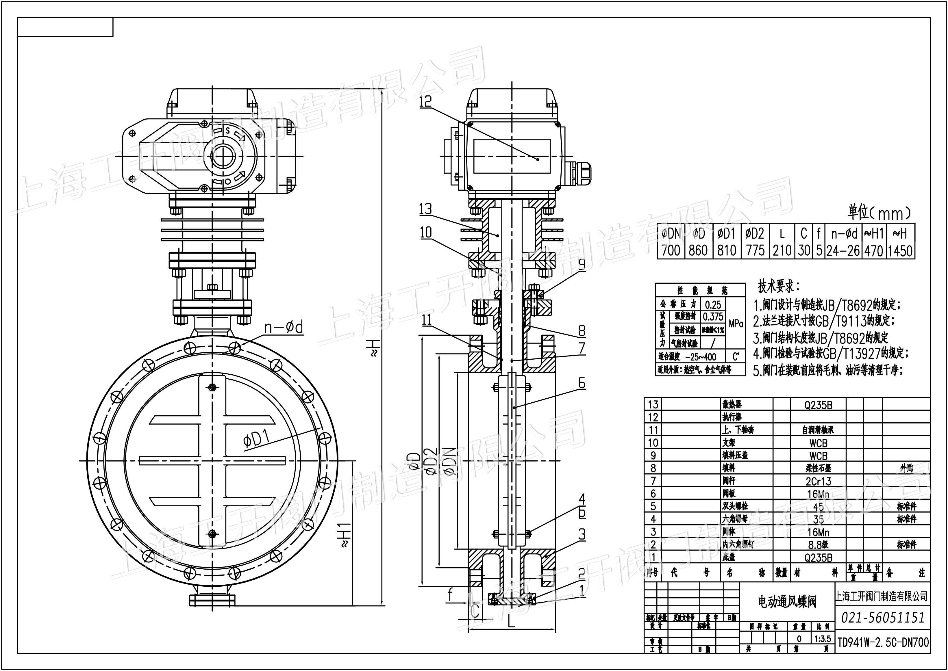
          • 閥門圖紙-電動蝶閥TD941W-2.5C-DN700結(jié)構(gòu)尺寸圖

            2025/2/20 9:31:04??????點擊:
            電動蝶閥TD941W-2.5C-DN700結(jié)構(gòu)尺寸圖紙
              
              

              <strong id="d8yi6"></strong>

                    <strong id="d8yi6"></strong><strong id="d8yi6"><center id="d8yi6"></center></strong>
                    • 99伊人大香蕉 | 91探花在线播放 | 欧美性爱先锋影音 | 久久国产经典免费一区 | 久久九欧美三级日本三级 |