<strong id="d8yi6"></strong>

          <strong id="d8yi6"></strong><strong id="d8yi6"><center id="d8yi6"></center></strong>
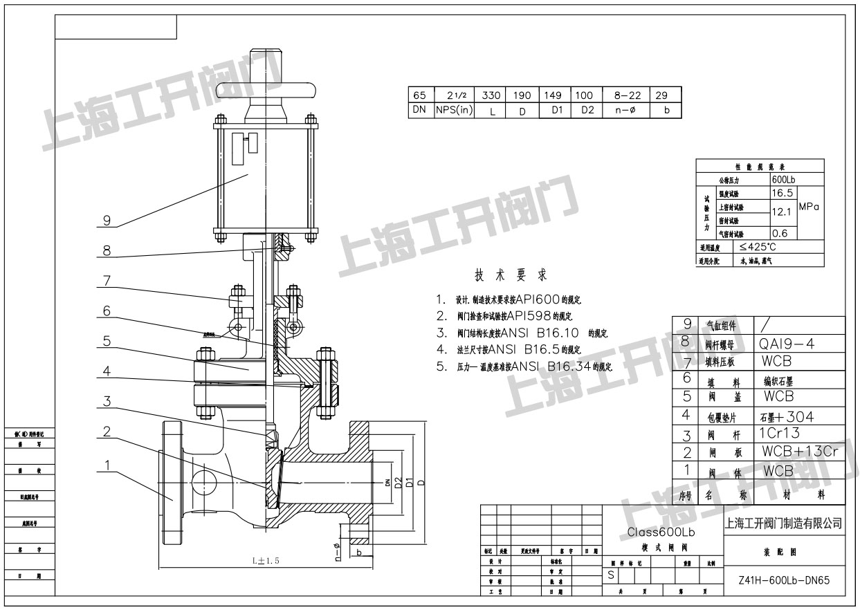
          • 美標閘閥Z41H-600LB-DN65-美標閘閥圖紙

            2022/5/29 16:08:49??????點擊:
            美標閘閥Z41H-600LB圖紙
              
              

              <strong id="d8yi6"></strong>

                    <strong id="d8yi6"></strong><strong id="d8yi6"><center id="d8yi6"></center></strong>
                    • 亚洲无码理论 | 夫妻干网| 豆花视频18成人入口 | 99热这里只有精品3 | 欧美v视频 |