<strong id="d8yi6"></strong>

          <strong id="d8yi6"></strong><strong id="d8yi6"><center id="d8yi6"></center></strong>
          • Pneumatic Actuator UPVC Butterfly Valve

            Update: 2025/4/24??????View:
            • Brand: ???GONGKAI
            • Type: ???D671X-10S
            • Order Online
            Introduction

            The pneumatic soft seal flange butterfly valve series consists of valve body, butterfly plate, valve stem and pneumatic actuator. The pneumatic actuator is driven by compressed air to drive the valve stem to rotate, and the driving butterfly plate rotates 90 degrees to achieve the opening and closing effect. Flange connection, simple structure, easy installation, especially suitable for short installation distance and large diameter pipelines. By selecting different types of pneumatic actuators, it can meet different process control requirements and is widely used in a variety of automatic control pipelines and devices.

            Actuator Size DA32 ~ DA400 / SR52 ~ SR400
            Air Pressure 2.5 to 8 bar (Based on 5.5 bar air supply as standard)
            Ambient Temp -15 to 80°C (Low and high temp versions also available)
            Cycle Life 500,000 Operations 1,000,000 Operations availiable
            Indicator Multifunctional position indicator for visual inspection
            Travel Stops External adjustable ± 5% in both open & closed position
            Body Hard anodised extruded aluminum alloy
            Springs High tensile steel
            Piston Seals NBR Steel
            Piston Aluminium alloy
            End Caps Die cast aluminum epoxy coated
            Pinion shaft Alloy steel nickle plated

            Butterfly Valves

            Port Thread Flanged
            Material
            Body Ductile Iron,SS304,SS316
            Seat EPDM
            Bottom Shaft SS410,SS304,SS316
            Disc SS304,SS316
            Upper Shaft SS410,SS304,SS316
            Bushing Polymer
            O-ring EPDM
            Technical Data
            Port Size Range DN50-DN450
            Structure Midline structure
            Voltage DC-12V,24V;AC-24V,120V,240V/60Hz;110V,220V50Hz
            Voltage Tolerance ±10%
            Suitable Medium Air,water,steam,oil,etc
            Medium Temperature -30~180℃(-22F-356F)
            Woriking Pressure 1.0/1.6 MPa(10/16 bar)
            Body Materia Cast Steel,Cast Iron,is optional.
            Seat Material NBR,PTFE is optional
            Mounting IS05211
            Torque Output 30Nm to1000Nm (2000Nm on request)
            Drive way Lever or wom gearis optional

            Actuator Accessories

            HVM      Valve Position Monitor (Limit Switchboxes)
            4M310      NUMAR Solenoid Valves
            HDM      Declutch Manual Override
            YT Model      Pnuematic positioner / pneumatic pneumatic positioner
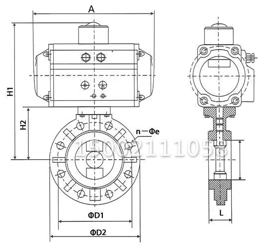
             DN(mm) ΦD1 ΦD2 H1 H2 A L n-Φe
            50 123 160 208 87 160 44 4-18
            65 143 185 217 96 160 48 4-18
            80 157 195 235 114 160 53 4-18
            100 186 215 256 127 189 57 8-18
            125 213 250 286 157 189 68 8-18
            150 240 285 334 170 266 73 8-22
            200 296 340 377 213 266 92 8-22
            More Products
              
              

              <strong id="d8yi6"></strong>

                    <strong id="d8yi6"></strong><strong id="d8yi6"><center id="d8yi6"></center></strong>
                    • 精品无码123 | 国内操B视频 | 欧美一级特黄A片免费 | 五月性爱视频 | 神马久久樱桃 |